Back Index Next Interface
Overview
Power Supply
Interface
Probes
Schematic
Software

Email me


CadSoft Online

The schematic for this entire project is available as a PDF file suitable for printing.  Download PDF schematic (98k).  The schematic was generated using CadSoft Eagle layout editor.

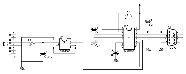
The advantage to using the 1-wire devices is shown in the interface schematic; only a handful of additional components are required and the wiring is quite simple.  Starting on the right side of the schematic, X1 is a standard DB-9F jack for the serial connection.  No hardware flow control lines are used.  The RX and TX lines are fed to IC2, a MAX232 RS-232 to 5V level translator.  The surrounding capacitors are used in the MAX232's voltage doubler and inverter circuits to convert the 5V power to +10V and -10V for RS-232 signalling.  Note that the shown schematic is only a portion of the total schematic and the junction at the top of the page is connected to the regulated +5V from the power supply section.  Logic level signals are fed to IC1, a DS2480B serial to 1-wire bridge.  R2 and C7 for a filter to reject EMI on the 1-wire network data line.  J1 is a female RJ-45 connector.  The inner pair (pins 4 and 5) are used for the 1-wire network data and the outer pair (pins 3 and 6) are used to supply auxiliary power.  The remaining pairs in the cable are unused.  The only difficulty I had in constructing this circuit was that the DS2480B is only available in surface-mount packages.  Since I have not tried making printed circuit boards yet, I locate a small SOIC to SIP converter and carefully soldered the DS2480B to it.

Datasheet: MAX232
Datasheet: DS2480B

Copyright © 2004 Michael Shevlin
Previous: Power Supply Next: Probes