Back Index Probes
Overview
Power Supply
Interface
Probes
Schematic
Software

Email me


CadSoft Online

The schematic for this entire project is available as a PDF file suitable for printing.  Download PDF schematic (98k).  The schematic was generated using CadSoft Eagle layout editor.

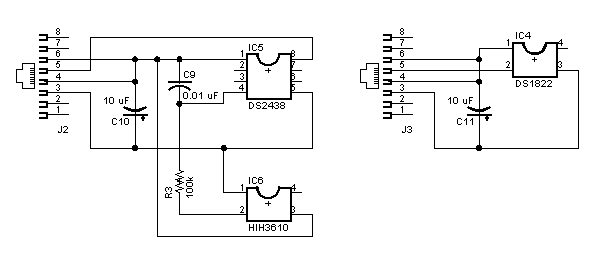
Probe schematics

The probe on the right is a simple temperature probe using the DS1822.  The simplicity of this series of semiconductors is once again illustrated by the stark nature of these schematics.  In fact, capacitors C10 and C11 serve only as local power filters and could probably be eliminated without any problems.  The schematic on the left is a combination temperature and humidity proble using the DS2438 and Honeywell's HIH3610 humidity sensor.  I haven't had a chance to build this circuit yet, but the design comes straight from Dallas Semiconductor.  Once I have a chance to build and test it, an update will be in order.

Datasheet: DS1822
Datasheet: DS2438
A 1-wire humidity sensor

Copyright © 2004 Michael Shevlin
Previous: Interface Next: Software